• BA - 18 皮帶式軸流扇

BA - 18 皮帶式軸流扇

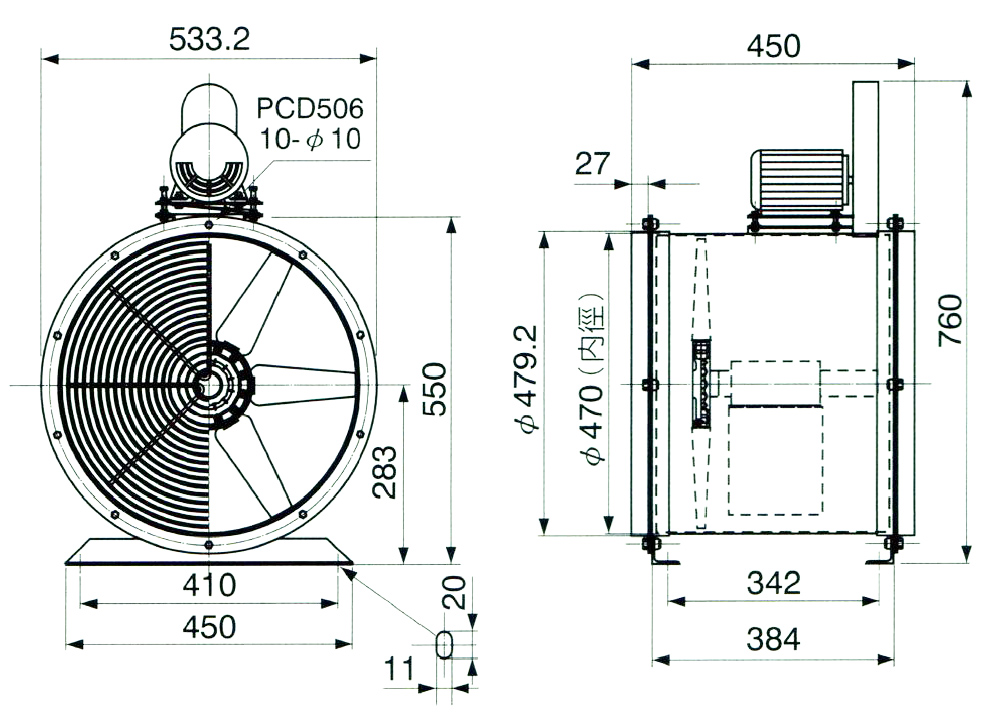
型號 : BA-18


          


型號 Model / 規格 Spec. 電壓
Voltage
V
頻率
Frequency
Hz
相數
Phase
出力
Output Power
W
極數
Poles
P
電流
Current
A
轉速
Speed
RPM
風量
Max Air Flow
CMM
靜壓
Max Pressure
mmAq
噪音
Noise Level
dB(A)
淨重
Net Weight
Kg
JAF-BA18-1-370-66 110 60 1 370 4 7.90 1740 78.2 27 78.8 42
220 3.95
JAF-BA18-3-370-66 220 50 3 370 4 2.24 1405 69.6 19 74.8 43
60 1.88 1685 81.1 27 78.8
380 50 3 370 4 1.30 1405 69.6 19 74.8 43
60 1.09 1685 81.1 27 78.8


相關產品

BA - 30 皮帶式軸流扇

BA - 30 皮帶式軸流扇

BA - 12 皮帶式軸流扇

BA - 12 皮帶式軸流扇

BA - 20 皮帶式軸流扇

BA - 20 皮帶式軸流扇

BA - 24 皮帶式軸流扇

BA - 24 皮帶式軸流扇

BA - 16 皮帶式軸流扇

BA - 16 皮帶式軸流扇

產品介紹