• YH - 9

YH - 9

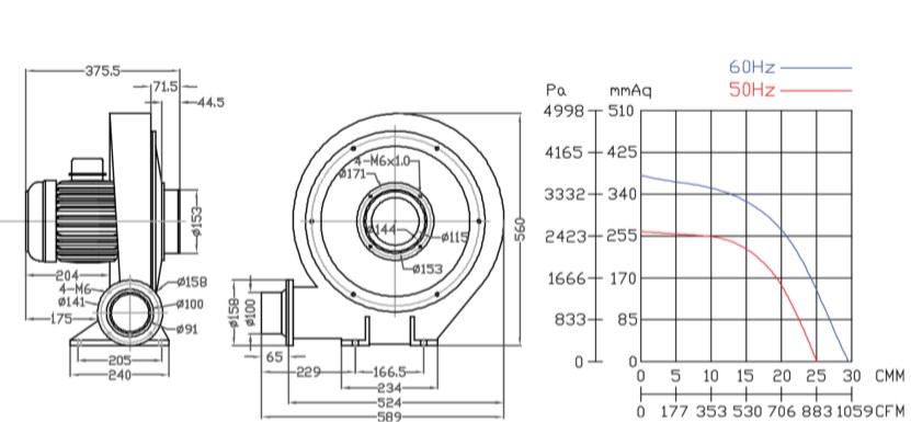
型號 : YH-9

yh9.jpg


型號 風輪型態 出口風徑 相數 極數 馬力 電壓 頻率 電流 轉速 最大風量 最大靜壓 重量
Model ImpellerType Outlet Phase Pole Power RatedVoltage Frequency Current Speed Max.Air Flow Max.Pressure Net Weight
mm P HP V Hz A r.p.m. CMM m3/h CFM mmAq inchAq Pa KG
YH9 Turbo 100 3 2 3 220/380 50 5/3 2870 25 1500 883 261 10.32 2560 48
60 7.5/4.4 3300 29 1740 1024 376 14.86 3687

相關產品

YH - 201

YH - 201

YH - 1A

YH - 1A

YH - 5

YH - 5

YH - 4 - 1 HP

YH - 4 - 1 HP

YH - 2C

YH - 2C

YH - 4 - 1/2 HP

YH - 4 - 1/2 HP

產品介紹