• YH - 8

YH - 8

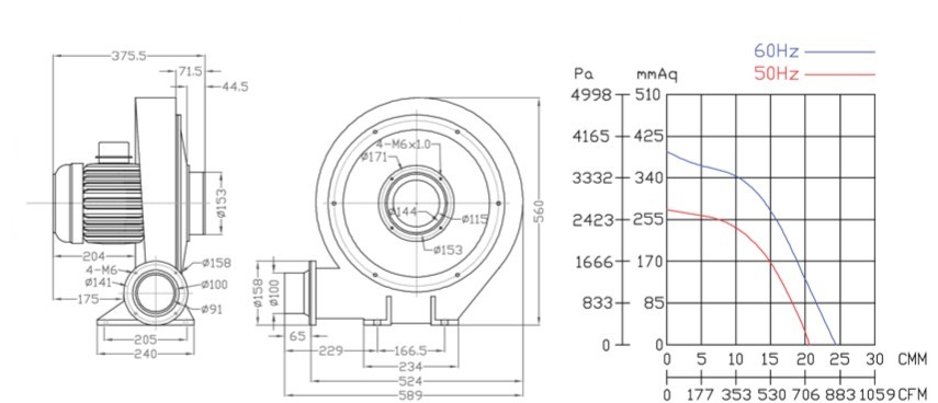
型號 : YH-8

yh8.jpg


型號 風輪型態 出口風徑 相數 極數 馬力 電壓 頻率 電流 轉速 最大風量 最大靜壓 重量
Model ImpellerType Outlet Phase Pole Power RatedVoltage Frequency Current Speed Max.Air Flow Max.Pressure Net Weight
mm P HP V Hz A r.p.m. CMM m3/h CFM mmAq inchAq Pa KG
YH8 Turbo 100 3 2 2 220/380 50 4.8/2.8 2870 21 1260 741 276 10.91 2707 42
60 6/4 3300 24 11440 847 392 15.49 3844



相關產品

YH - 103

YH - 103

YH - 9

YH - 9

YH - 1

YH - 1

YH - 4 - 1 HP

YH - 4 - 1 HP

YH - 4 - 1/2 HP

YH - 4 - 1/2 HP

YH - 2B

YH - 2B

產品介紹