|
型 式
Type
|
相 數
Phase
|
功率
Output
(KW)
|
電 壓
Voltage
(V)
|
電流
Current
(A)
|
最大靜壓(吐出)
Pressure (Max.)
(kpa)
|
最大風量
(吐出)
Air Flow (Max.)
(m/min)
|
吸入吐出
口徑
IN/Ou tLet
(mm)
|
噪音
Noise Level
(dB)
|
重量
Weight
(Kg)
|
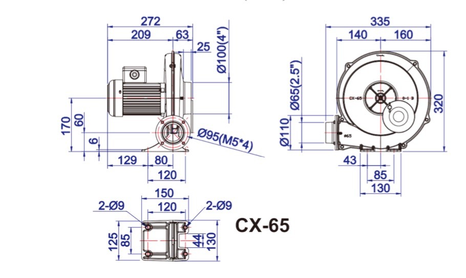
| CX-65 |
1~
3~
|
0.2 |
220
220/380
|
1.5
1.1/0.9
|
0.7/11 | 4.5/5.3 |
IN 100
OUT 65
|
50/62 | 6 |
| CX-75SA |
1~
3~
|
0.4 |
220
220/380
|
2.5
1.9/1.2
|
1.1/1.6 | 7//8 |
IN 100
OUT 75
|
56/70 | 9 |
| CX-75A |
1~
3~
|
0.74 |
220
220/380
|
5
3/1.9
|
1.7/2.4 | 13/15 |
IN 125
OUT 100
|
64/80 | 16 |
| CX-100A | 3~ | 1.5 | 220/380 | 5.5/3.5 | 2//3 | 20/23 |
IN 125
OUT 100
|
74/90 | 26 |
| CX-125A | 3~ | 2.2 | 220/380 | 8/5 | 2.4/3.7 | 32/37 |
IN 200
OUT 100
|
76/95 | 36 |
| CX-150A | 3~ | 3.7 | 220/380 | 13/7.5 | 3.2/4.4 | 46/53 |
IN 252
OUT 150
|
80/100 | 56 |