• JSD - 120FR 多翼式抽送風機

JSD - 120FR 多翼式抽送風機

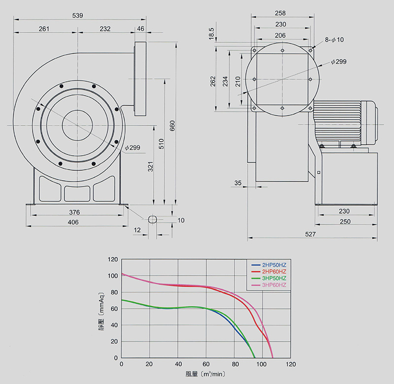
型號 : JSD-120FR

120FR.jpg

機型特性 電壓
Voltage
V
頻率
Frequency
Hz
相數
Phase
極數
Poles
P
出力
Output HP
電流
Current
A
轉速
Speed
RPM
風量
Air Flow
m3/min
靜壓
Static Pressure
mmAq
噪音
Noise
dB(A)
淨重
Net Weight
Kg
JSD - 120FR 220 50/60 3 4 2 6.27/5.58 1425/1715 94/106 71/103 79/83 41
220 50/60 3 4 2 3.63/3.23 1425/1715 94/106 71/103 79/83
380 50/60 3 4 3 8.91/8.18 1445/1730 95/107 71/103 79/83 53
380 50/60 3 4 3 5.16/4.74 1445/1730 95/107 71/103 79/83

相關產品

JSD - 80FR 多翼式抽送風機

JSD - 80FR 多翼式抽送風機

JSD - 90F 多翼式抽送風機

JSD - 90F 多翼式抽送風機

JSD - 120F 多翼式抽送風機

JSD - 120F 多翼式抽送風機

JSD - 100FR 多翼式抽送風機

JSD - 100FR 多翼式抽送風機

JSD - 100F 多翼式抽送風機

JSD - 100F 多翼式抽送風機

JSD - 80F 多翼式抽送風機

JSD - 80F 多翼式抽送風機

多翼式抽送風機系列