| 型號 | 風輪型態 | 出口風徑 | 相數 | 極數 | 馬力 | 電壓 | 頻率 | 電流 | 轉速 | 最大風量 | 最大靜壓 | 重量 | ||||
| Model | ImpellerType | Outlet | Phase | Pole | Power | RatedVoltage | Frequency | Current | Speed | Max.Air Flow | Max.Pressure | Net Weight | ||||
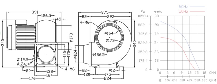
| mm | ∅ | P | HP | V | Hz | A | r.p.m. | CMM | m3/h | CFM | mmAq | inchAq | Pa | KG | ||
| YH4 | Multi-blade | 125 | 3 | 2 | 1/2 | 220/380 | 50 | 1/0.6 | 2860 | 13 | m3/h | 459 | 67 | 2.65 | 657 | 18 |
| 60 | 1.4/0.8 | 3300 | 15 | 900 | 530 | 95 | 3.75 | 931 | ||||||||
| Turbo | 125 | 3 | 2 | 50 | 1/0.5 | 2880 | 14 | 840 | 494 | 67 | 2.65 | 657 | ||||
| 60 | 1.3/0.7 | 3350 | 16 | 960 | 565 | 95 | 3.75 | 931 | ||||||||