



| 型 式 Type |
相 數
Phase
|
功率
Output
(KW)
|
電 壓
Voltage
(V)
|
電流
Current
(A)
|
最大靜壓
(吐出)
Pressure (Max.)
(kpa)
|
最大風量
(吐出)
Air Flow (Max.)
(m/min)
|
出口
口徑
Outlet
|
噪音
Noise Level
(dB)
|
重量
Weight
(Kg)
|
| TB100-1 | 3~ | 0.75 |
220
380
|
3
1.8
|
1.3/2.1 | 18/22 | 100mm | 70/80 | 22 |
| TB100-2 | 3~ | 1.5 |
220
380
|
5.5
3.5
|
2 3 | 20/25 | 100mm | 70/85 | 26 |
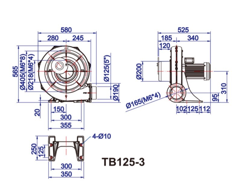
| TB125-3 | 3~ | 2.2 |
220
380
|
8
5
|
2.4/3.6 | 33/39 | 125mm | 80/90 | 35 |
| TB150-5 | 3~ | 3.7 |
220
380
|
13
7.5
|
3.8/5.3 | 48/53 | 150mm | 90/95 | 57 |
| TB150-7.5 | 3~ | 5.5 |
220
380
|
19
11.5
|
3.8/5.3 | 50/65 | 150mm | 90/95 | 66 |
| TB150-10 | 3~ | 7.5 |
220
380
|
26
15.5
|
3.8/5.3 | 60/75 | 150mm | 90/95 | 75 |
| TB150L-10 | 3~ | 7.5 |
220
380
|
26
15.5
|
5/6.5 | 40/53 | 150mm | 90/100 | 80 |
| TB200-15 | 3~ | 11 |
220
380
|
36
22
|
5/6.5 | 65/85 | 200mm | 95/110 | 130 |
| TB200-20 | 3~ | 15 |
220
380
|
47
28
|
5 7 | 90/100 | 200mm | 95/110 | 140 |